24小时服务热线
0556-6199199
网站首页
企业概况
公司简介
班子成员
组织机构
公司荣誉
企业展示
新闻动态
公司新闻
行业动态
招标公告
通知公示
视频新闻
资料下载
党建引领
公开公示
用水知识
业务流程
水质公告
窗口网点
供水信息
停水公告
收费公示
供用水合同
供水水压
服务承诺
热线与监督
政策法规
网上营业厅
水费查询
线上缴费
线上报装
线上报修
投诉建议
联系我们
首页
>
通知公示
>
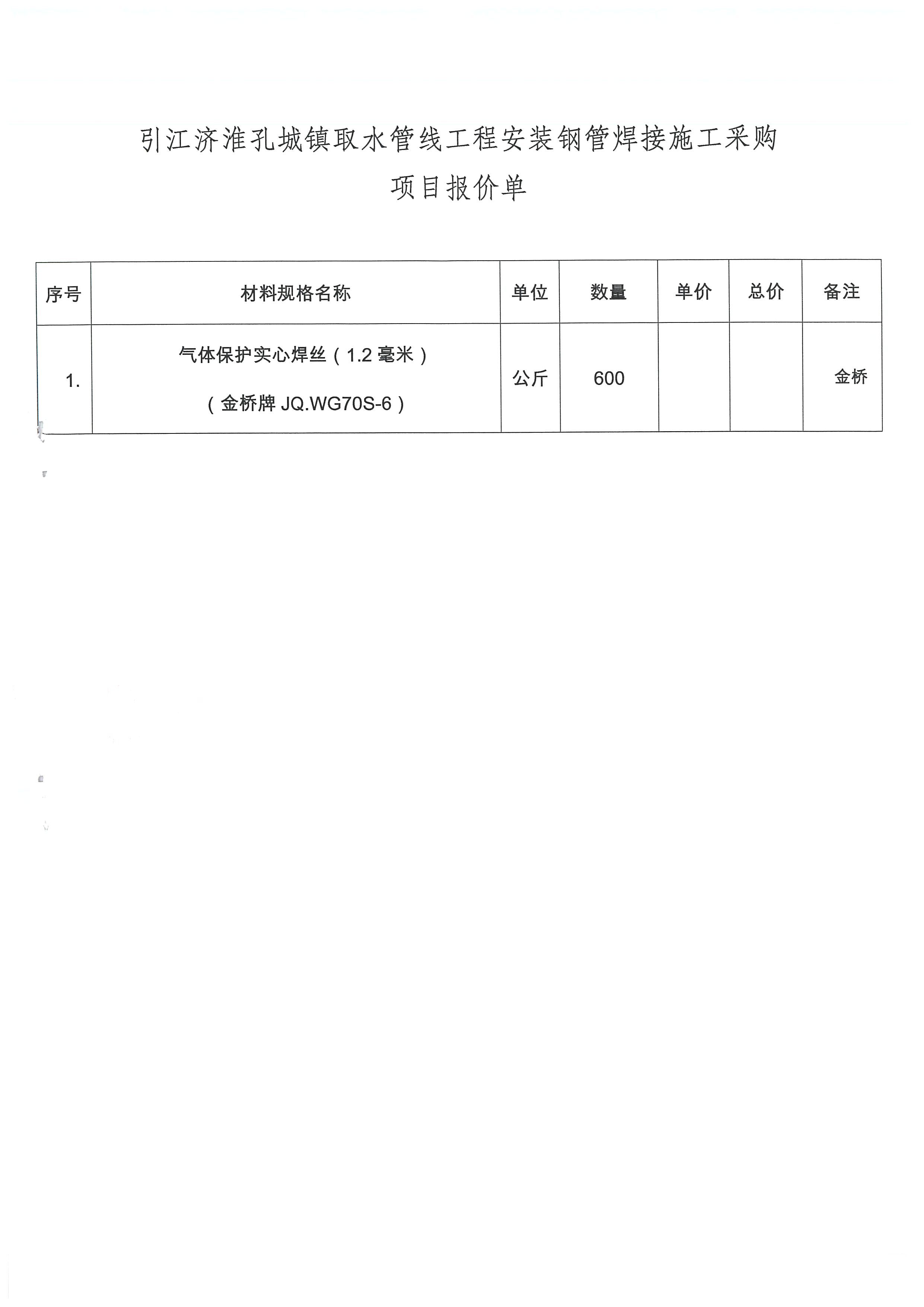
桐城市城乡供水集团有限公司引江济淮孔城镇取水管线工程安装钢管焊接施工采购项目询价采购公告
桐城市城乡供水集团有限公司引江济淮孔城镇取水管线工程安装钢管焊接施工采购项目询价采购公告
2024-08-20 02:06:11
管理员
787
标签:新闻动态
上一篇:
2024年8月14日进厂原水日公告
下一篇:
桐城市城乡供水一体化二期工程-乡镇水厂改造、乡镇供水管道改造等续建EPC+O工程(双港配水管道工程)建设材料(DN426mm螺旋钢管及配件)采购项目询价公告